欢迎来到好推宝!
loading
免费发布信息
·扬州 [切换]

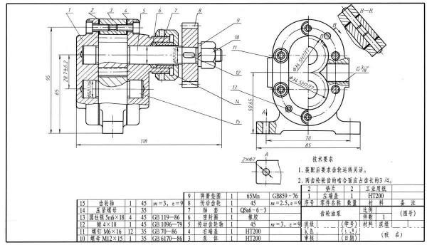
      2023年仪征机械CAD设计培训 曲面造型 装配工程图

      2022-11-23 16:31:01发布,长期有效,206浏览
    • 收藏
    • 置顶  |
    • 举报  |
    • 区域:仪征
      • 联系人:李老师
      • 电话:151****0386 点击查看完整号码
        • 好推宝提醒您:本站仅作为便民信息搬运工,请自行分辨信息真假,让您提前转账汇款的均有骗子嫌疑,不要轻易相信,联系前请仔细阅读《谨防诈骗须知
    • 信息详情
    AutoCAD施工图课程:
        结合工程实例使学员迅速掌握CAD制图软件的应用及操作技巧,通过多种由代表性的室内设计工程案例的绘制,培养学员按照行业规范利用计算机应用软件来绘制平面布置图、天花平面图、立面图、节点图、大样图、剖面图等全套施工图,强制快捷键的使用,提高绘图速度。   


    二维CAD的基本功能:
    1、平面绘图:能以多种方式创建直线、圆、椭圆、圆环多边形(正多边形)、样条曲线等基本图形对象。
    2、绘图工具:提供了正交、对象捕捉、极轴追踪、捕捉追踪等绘图工具。正交功能使用户可以很方便地绘制水平、竖直直线,对象捕捉可 帮助拾取几何对象上的特殊点,而追踪功能使画斜线及沿不同方向定位点变得更加容易。
    3、编辑图形:CAD具有强大的编辑功能,可以移动、复制、旋转、阵列、拉伸、延长、修剪、缩放对象等。
    4、标注尺寸:可以创建多种类型尺寸,标注外观可以自行设定。
    5、书写文字:能轻易在图形的任何位置、沿任何方向书写文字,可设定文字字体、倾斜角度及宽度缩放比例等属性。
    6、图层管理功能:图形对象都位于某一图层上,可设定对象颜色、线型、线宽等特性。
    7、三维绘图:可创建3D实体及表面模型,能对实体本身进行编辑。
    8、网络功能:可将图形在网络上发布,或是通过网络访问AutoCAD资源。
    9、数据交换 :提供了多种图形图像数据交换格式及相应命令。

    仪征机械设计培训 仪征Soildworks培训
    课程全面系统的介绍Solidworks三维设计及装配仿真等功能模块,
    包含了草图设计、实体零件的设计、高级曲面造型、零件装配、运动仿真、钣金设计及工程图等。
    所有模块及功能的介绍全部选用常见的典型案例,结合实际工作经验对案例进行分析与讲解。
    课程嵌入了大量实际工作中的设计技巧,内容深入浅出、语言简洁易懂。课程除了结合案例对具体功能介绍外,还配有典型案例完整的设计过程,学员可以跟着老师在课堂上操作完成案例即可轻松掌握软件的应用技巧。 联系我时,请说是在好推宝看到的,谢谢!

    首发网址:http://yz.haotuibao.com/qitapeixun/37971.html
    查看全部扬州其他培训信息
    发布一条扬州其他培训信息
    • 相关图片

    2023年仪征机械CAD设计培训 曲面造型 装配工程图

    • 您可能感兴趣
    • 扬州新发布
    1377-0538-345